Direktmontering för termoplast och härdplast
Enkel och tillförlitlig direktmontering för termoplast och härdplast. Låg vikt och hög utdragningskraft.
Fördelarna med DELTAsert® 60
- Enkel skruvinstallation
- Minskad vikt
- Hög utdragskraft
- Högt lossningsmoment
- Kan även användas med härdplaster
- Kort monteringstid
Den nya DELTAsert® i aluminium möjliggör en tillförlitlig montering i högt belastade termoplastkomponenter, vilket tidigare endast var möjligt med för- eller eftergjutna insatser. Den senaste tidens krav på ytterligare kostnads- och viktbesparingar kräver dock nya fästlösningar. ALtracs®-skruven kan fästas som en självgängande skruv i DELTAsert® eller som en traditionell version med en M6 innergänga och en metrisk skruv. En enkel och processanpassad montering är därför garanterad.
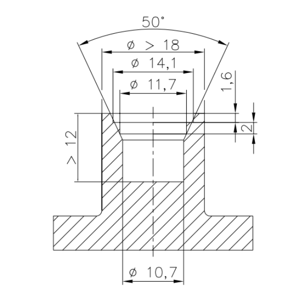
Designrekommendation och teknisk information
.png)
Vill du veta mer? Kontakta våra experter!

Gunnar Nygren
+46 (0)703 700 105
gnygren@ejot.com

Niclas Jonsson
+46 (0)703 700 146
njonsson@ejot.com

Kundtjänst
+46 (0)19 20 65 10
infoSE@ejot.com